微信扫一扫 分享朋友圈

已有 1615 人浏览分享

[机务问答] 铁路及火车的供电系统?不明白!

[复制链接]

1

主题

5

回帖

16

积分

新手上路

积分
16
发表于  2024-8-13 20:16:35 | 显示全部楼层 |阅读模式
z1.jpg

1

主题

5

回帖

15

积分

新手上路

积分
15
发表于 2024-8-13 20:24:18 | 显示全部楼层
铁路及火车供电系统,我从车站供电、普通火车供电、高铁列车供电三个方面解释:
1、车站供电。大型车站都有从电厂、或专用供电线路进行高压输送,通过供电站点变压器进行车站各种电气设备需求的高压、低压,进行供电,这类似于供电局给市区供电一样不难理解,不在这里多说了。
     要说明的是,铁路沿途各站,是通过铁路全线的贯通供电线,给各站供电的。
2、普通列车供电。电力牵引机车供电,是由沿途各供电所通过接触网进行供电的,详细说明在高铁部分进行。由于我国铁路现代化建设发展很快,旅客列车已经基本被新型空调旅客列车替代,列车车辆的空调系统、照明系统、供暖系统等,用电量非常大,那么是如何供电的呢?旅客列车是由供电列车供电的。
       什么是列车供电呢?由于目前旅客列车用电量大,还有一些是内燃机车牵引的不是电气化铁路线路,为了解决这个问题,在旅客列车上加挂一节供电专车,电力是由内燃发动机带动发电机进行发电,在通过电缆向个节车厢供电,所以旅客列车是使用供电列车提供的电能。
3、客运专线以及高铁供电系统。客专高铁都属于动车列车,高铁时速300至350公里;客专时速200至250公里。他们之间有什么本质上的区别呢?高铁是每个车轮做为动力驱动轮,客专是前部轮组、中部轮组、后部轮组做为动力驱动轮,因为每组动力车轮需要每项工作同步,这就提出来更高的技术要求,所以也称之为动车组。
      我们知道高铁没有专门的车头,就是一组动车都有供电系统,所以每节列车的所有供电系统的电能,是通过沿途铁路接触网将供电所提供的电能,给每节列车供电的。
      高铁与普铁的电气化供电原理是一样的,只不过高铁要求的各项指标更加严格罢了,因为列车速度加大,列车上部的取电受电弓、与机车上部的接触网需要可靠接触,才能正常取得电力。时速越快冲击力越大,就像坐在卡车上小小的昆虫打在脸上都会很疼痛道理一样,所以高铁的接触网平直、平顺度要求很高。
     我们知道交流电都是三相电,那么电气化铁路上部接触网只有一根线,这是怎么回事呢?先请看下图的电力机车构造及工作原图做为简单了解就行了:
z1.jpg
      电力 机车明白了,再简单叙述一下接触网。接触网是由支持部分,即支柱、腕臂构成的。接触网的结构部分就是承力索腕臂底座下部至接触导线之间的悬挂部分,包括承力索与接触线。接触网无论是在车站内、还是行车区间,都分为各个锚段。为了防止受气温影响是接触线冬天紧,夏天松驰,在没个锚段两侧增设了悬挂坠砣。为了防止接触线窜动,中间假设了中锚。为了防止接触线把受电弓磨出槽,就把接触线左右拉出形成之字形,也就做定位拉出值。
     为了使整个供电网与各供电所、交流电的各相分开,就在需要隔离的部位安装了分段、分相隔离绝缘器。所以你乘坐高铁时,总会有一会列车照明中断,就是列车受电弓与绝缘器接触断电造成的。所以在这区段会有警示牌“禁止双弓”,防止造成各供电所、交流电的各相分开形成短路。
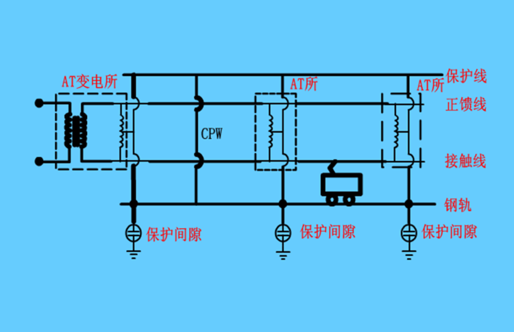
    电气化铁路供电形式很多,下面以自耦变压器(AT)供电方式再谈一下供电过程:
电气化铁道自耦变压器(AT)供电方式
  采用AT供电方式时,牵引变电所主变输出电压为55kV,经AT(自耦变压器,变比2:1)向接触网供电,一端接接触网,另一端接正馈线(简称AF线,亦架在田野侧,与接触悬挂等高),其中点抽头则与钢轨相连。AF线的作用同BT供电方式中的NF线一样,起到防干扰功能,但效果较前者为好。此外,在AF线下方还架有一条保护(PW)线,当接触网绝缘破坏时起到保护跳闸作用,同时亦兼有防干扰及防雷效果。
z2.jpg
显然,AT供电方式接触网结构也比较复杂,田野侧挂有两组附加导线,AF线电压与接触网电压相等,PW线也有一定电位(约几百伏),增加故障几率。当接触网发生故障,尤其是断杆事故时,更是麻烦,抢修恢复困难,对运输干扰极大。但由于牵引变电所馈出电压高,所间距可增加一倍,并可适当提高末端网压,在电力系统网络比较薄弱的地区有其优越性。
什么是开闭所?
z3.jpg
  所谓开闭所,是指不进行电压变换而用开关设备实现电路开闭的配电所,一般有两条进线,然后多路馈出向枢纽站场接触网各分段供电。进线和出线均经过断路器,以实现接触网各分段停、供电灵活运行的目的。又由于断路器对接触网短路故障进行保护,从而可以缩小事故停电范围。
2、什么是分区亭?
  分区亭设于两个牵引变电所的中间,可使相邻的接触网供电区段(同一供电臂的上、下行或两相邻变电所的两供电臂)实现并联或单独工作。
  如果分区厅两侧的某一区段接触网发生短路故障,可由供电的牵引变电所馈电线断路器及分区亭断路器,在继电保护的作用下自动跳闸,将故障段接触网切除,而非故障段的接触网仍照常工作,从而使
事故范围缩小一半。
3、什么是AT 所?
  牵引网采用AT 供电方式时,在铁路沿线每隔10km 左右设置一台自耦变压器AT,该设置处所称做AT 所。
自藕变压器跨接于接触网(T)和正馈导线(AF)之间,其中点与钢轨(R)及接触网线路同杆架设的保护线(PW)相连形式的AT 供电方式。
3、什么是AT 所?
  牵引网采用AT 供电方式时,在铁路沿线每隔10km 左右设置一台自耦变压器AT,该设置处所称做AT 所。
自藕变压器跨接于接触网(T)和正馈导线(AF)之间,其中点与钢轨(R)及接触网线路同杆架设的保护线(PW)相连形式的AT 供电方式。
希望能给予你帮助

1

主题

5

回帖

14

积分

新手上路

积分
14
发表于 2024-8-13 20:27:56 | 显示全部楼层
<div class="video-player-container" id="art-player-mda-ke1gc3yn2rxheaff">

0

主题

5

回帖

12

积分

新手上路

积分
12
发表于 2024-8-13 20:35:40 | 显示全部楼层
电源+开关+导线+用电器》》》》变电所+开关设备+输电线(包括回流部分)+电力机车》》》大轮廓就这样了,
您需要登录后才可以回帖 登录 | 立即注册

本版积分规则

0

关注

0

粉丝

1

主题
  • 关注微信服务号

  • 扫描下载APP

手机版|美路科技旗下网站|铁道职培 ( 鲁ICP备18021794号-3|鲁公网安备37130202372799 )

GMT+8, 2026-4-26 21:52 , Processed in 0.187059 second(s), 64 queries .

Powered by Discuz! X3.5

© 2001-2026 Discuz! Team.