自动闭塞相关基础知识

2025-8-3 15:47| 发布者: 泡沫之夏| 查看: 6182| 评论: 0

摘要: 自动闭塞是将站间区间划分为若干闭塞分区,以闭塞分区作为列车追踪运行空间间隔,根据列车运行及有关闭塞分区状态,自动变换信号显示和发送列车移动移频信息,列车凭地面信号显示或车载信号显示行车的闭塞方法。自动 ...



自动闭塞是将站间区间划分为若干闭塞分区,以闭塞分区作为列车追踪运行空间间隔,根据列车运行及有关闭塞分区状态,自动变换信号显示和发送列车移动移频信息,列车凭地面信号显示或车载信号显示行车的闭塞方法。

自动闭塞的工作原理



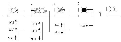
以上图为例,当列车进入7G闭塞分区时,7G闭塞分区的轨道电路被列车车轮分路,轨道继电器7GJ落下。控制通过信号机7显示红灯。由于7GJ落下,作为编码条件产生控制信息发向5轨道,5信号点接收设备的5GJ吸起,5GJ和7GJ的条件控制通过信号机5显示黄灯。同时5GJ和7GJ的接点作为编码条件产生控制信息发向3轨道,3信号点接收设备的3GJ吸起,3GJ、5GJ和7GJ的条件控制通过信号机3显示绿灯和黄灯。3GJ、5GJ和7GJ作为编码条件产生控制信息发向1轨道,1信号点接收设备的1GJ吸起,1GJ、3GJ和5GJ的条件控制通过信号机1显示绿灯。

系统载频布置

载频中心频率有8个。1700Hz、2000Hz、2300Hz、2600Hz分成-1型和-2型。其中1700和2300交替布置在下行线,2000和2600交替布置在上行线,-1和-2分开。



控制信号频率从10.3Hz开始,按等差递增至29Hz共18个。即:10.3 Hz、11.4 Hz、12.5 Hz、13.6 Hz、14.7 Hz、15.8 Hz、16.9 Hz、18 Hz、  19.1 Hz、20.2 Hz、21.3 Hz、22.4 Hz、23.5 Hz、24.6 Hz、25.7 Hz、26.8 Hz、27.9 Hz、29 Hz。

频率偏差Δf为11Hz。

低频信息与地面信号关系







低频控制信息的使用

区间使用



车站使用







反方向行车发送27.9Hz的关机码。


(部分内容参考:铁道知识局,高铁信号技术交流)


路过

雷人

握手

鲜花

鸡蛋
  • 关注微信服务号

  • 扫描下载APP

手机版|美路科技旗下网站|铁道职培 ( 鲁ICP备18021794号-3|鲁公网安备37130202372799 )

GMT+8, 2026-4-25 22:21 , Processed in 0.127100 second(s), 42 queries .

Powered by Discuz! X3.5

© 2001-2026 Discuz! Team.

  • QQ: 871889019

    客服电话

    183-9671-7087

    电子邮件

    mlkj@aliyun.com

    在线时间:9:00-21:00

  • 返回顶部